您好,欢迎您来到中方县人民政府网站!
网站支持IPv6
登录
|
注册
繁体中文
|
无障碍浏览
长者专区
首页
县政府
政务动态
政务公开
解读回应
办事服务
互动交流
走进中方
您的位置:
首页
>
政务公开
>
部门信息公开目录
>
农业农村局(乡村振兴局)
>
涉农补贴
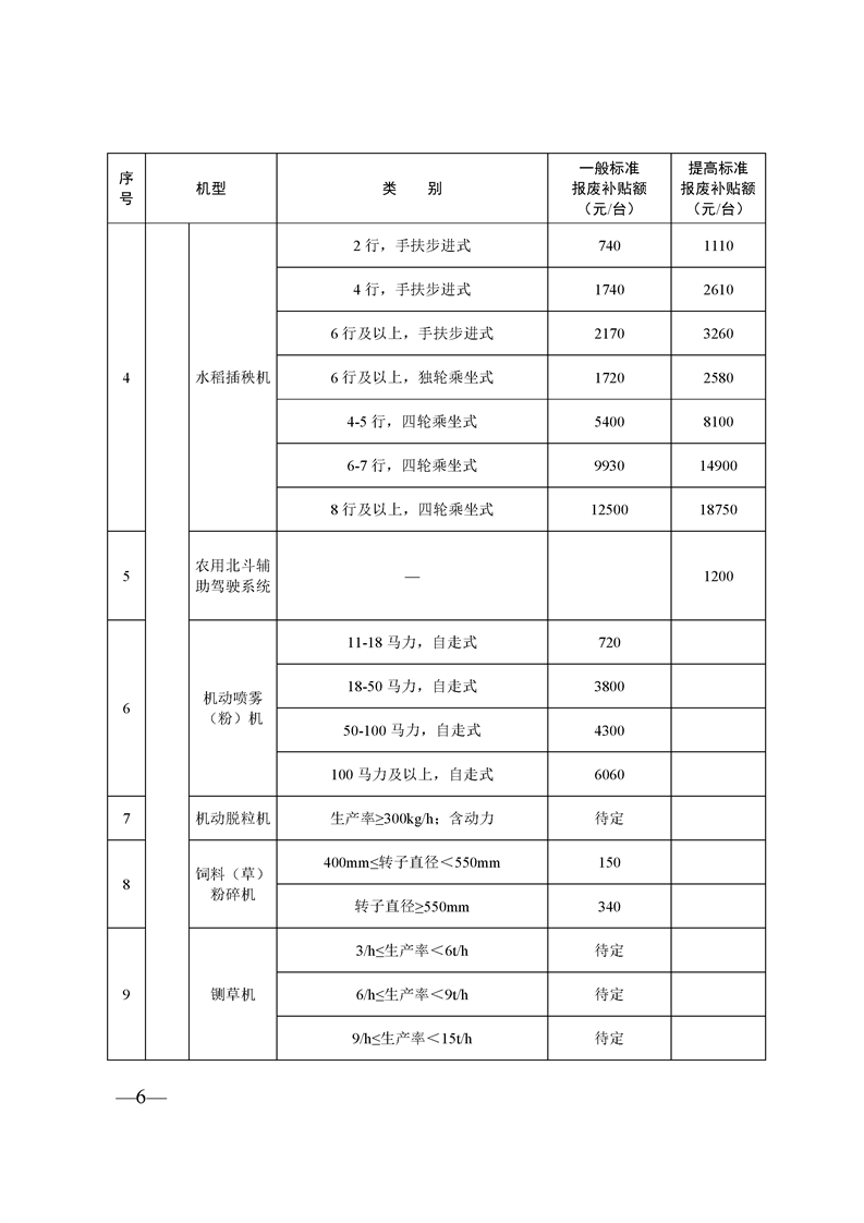
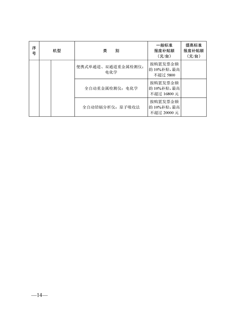
关于规范高效实施2025年农业机械报废更新补贴政策的通知
中方县人民政府 www.zhongfang.gov.cn
发布时间: 2025-12-24 16:18
【字体:
大
中
小
】
扫一扫,在手机打开当前页
来源:中方县农业农村局
作者:
分享到